
MIL-DTL-28748/3F
Inches
mm
Inches
mm
Inches
mm
9.53
.375
3.63
.143
0.05
.002
11.43
.450
3.81
.150
0.10
.004
12.98
.511
4.37
.172
0.13
.005
15.24
.600
4.76
.1875
0.25
.010
20.57
.810
4.95
.195
0.41
.016
25.40
1.000
5.08
.200
1.91
.075
33.32
1.312
6.60
.260
2.18
.086
9.40
.370
2.29
.09
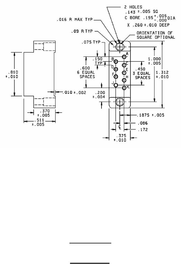
Insert with 9 contacts
Insert designator B
FIGURE 2. Insert arrangements - Continued.
3
For Parts Inquires submit RFQ to Parts Hangar, Inc.
© Copyright 2015 Integrated Publishing, Inc.
A Service Disabled Veteran Owned Small Business